加载中...
推荐位 推荐位

审查员说该专利只是一种设想或任务,要如何答复

发布时间:2020.08.06 湖南省查看:3603 评论:19

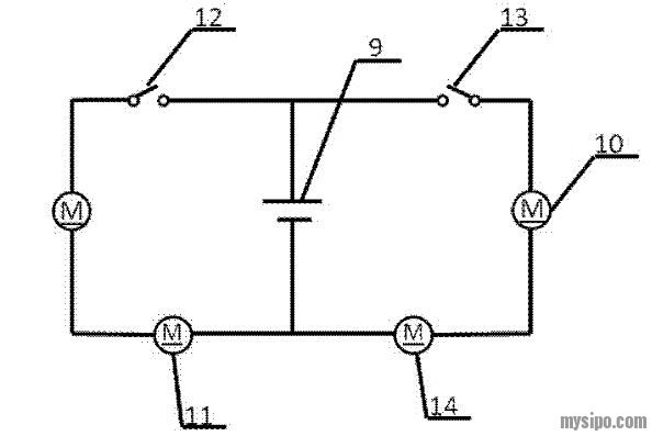
我写了一个床面能够平移的床的专利申请,其实就是利用履带轮使床面发生平移的道理。还给出了电路图,利用开关控制马达的启停来平移床面。可审查员说没有完整清晰地记录开关的具体结构。我的天,这个开关就是普通开关啊,还要怎么阐述它的具体结构。又说“开关如何设置以实现控制床面平移”,我给出了电路图,开关连接马达,马达一旋转,床面就平移了。电路图就能清晰看到具体产品结构。难道还要把马达是如何旋转的,如何停止的也写进去吗,这些都是现有技术能够实现的啊。
我画的电路图如下:还有几幅床结构图。






标签: 审查员 答复OA


分享

收藏(1)

点赞(1)

举报

评论列表

  • 第1楼
    审查员的意思应该是技术方案公开不充分。。。。。
    你若认为其是公知常识,就争辩呗。。。。。

    2020/08/06 21:37 [来自四川省]

    2 举报
  • 第2楼
    我觉得有些就是审查员认为技术不够创新,随便找的理由,因为驳所以驳

    2020/08/06 21:50 [来自天津市]

    0 举报
  • 第3楼
    你找一个现有的公开了你没写的这个开关的专利或文献来证明它是现有的就好咯

    2020/08/06 22:34 [来自未知属地]

    0 举报
  • 第4楼
    我也认为不可实现.没有传感器检测,就靠你神奇的目光,灵巧的双手,吹也行.

    2020/08/07 08:34 [来自山东省]

    1 举报
  • 第5楼
    就一张电路图没别的了?那就是你敷衍

    2020/08/07 08:42 [来自浙江省]

    1 举报
  • 第6楼
    只有这个电路图么,具体结构图有给出来么,另外如果真的只写了开关控制床面平移,那确实不充分,开关怎么控制床面平移,按你的意思,应该开关与旋转马达电连接,当开关按下,旋转马达得电,旋转马达带动其他结构,齿轮?还是其他的结构,你肯定不能只写开关带动床面平移,当然这仅仅是针对审查意见中看出的东西,具体案子没看到,如果你写的很详细,那当我没说

    2020/08/07 08:44 [来自江苏省]

    0 举报

快速回复